HQ Tel. +49(0)89-235-16-801

US Tel. +1 765-780-7139

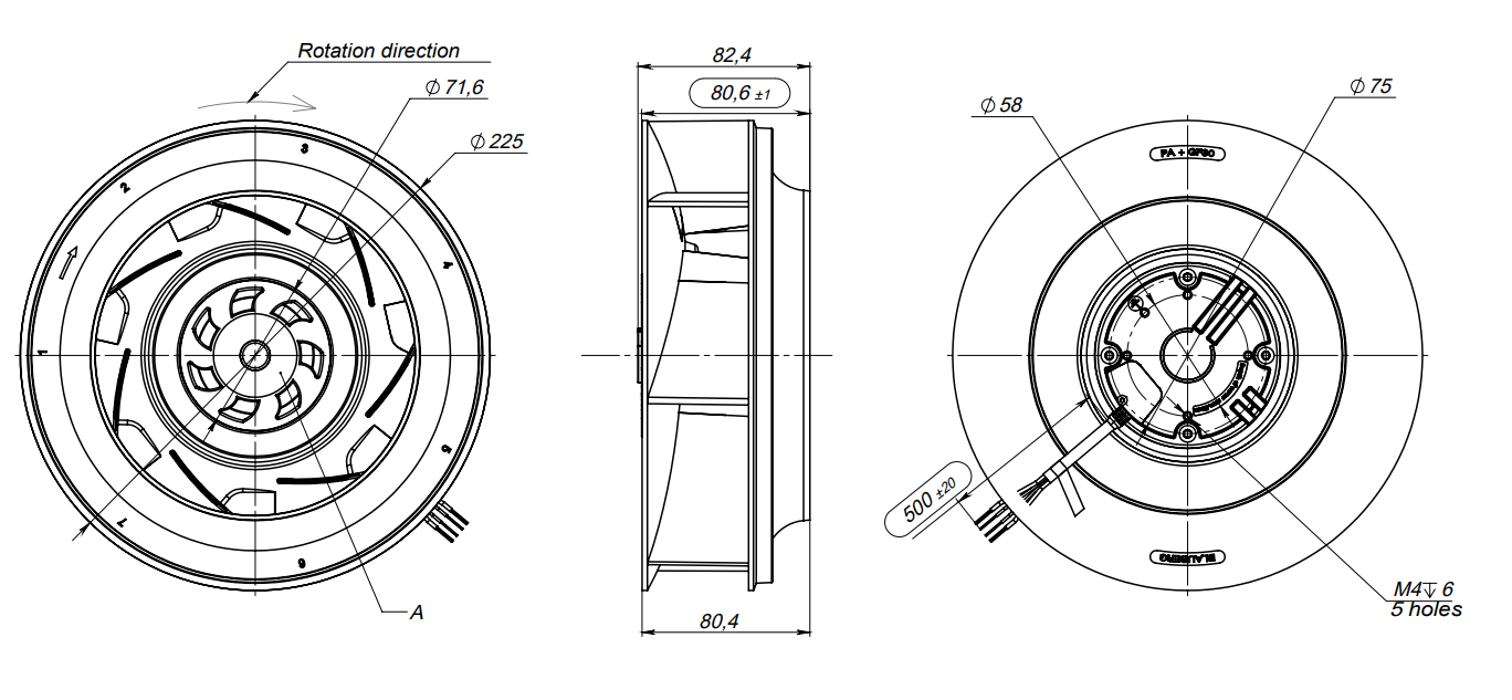
  • Impeller material: PA plastic + 30% glass fiber
  • Speed control: 0 ~ 10V DC/PWM
  • Direction of rotation: clockwise, seen on rotor
  • Type of protection: IP55
  • Insulation class: B
  • Mode of operation: continuous operation (S1)
  • Bearing: ball bearings
  • Motor protection: self-resetting TOP wired internally
Download catalogue

Characteristics

Modification name

BE-B225G-EC-00

Nominal voltage [VAC]

48

Speed [RPM]

2700

Air Flow [m³/h]

980

Power input max [W]

85

Сurrent max [A]

1.8

Sound pressure level [dB(A)]

65

Perm. amb. temperature [°С]

-25...+60

Motor type

DC

Electrical connection

Type “D“

Dimensions [mm]

225

Performance curves

Dimensions

BD_BE-B225G

Electrical connections